Thank you for visiting our website. Your personal privacy is absolutely respected and protected by the website. To help you understand how the website collects, uses and protects your personal information, be sure to read the website "Privacy Policy". Thank you!
ACCEPT AND PROCEED
RSSRSS

Products

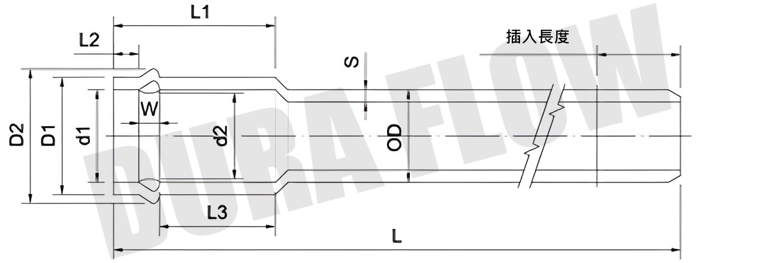
RING-SEAL TYPE FOR GENERAL WATER
Home  ›   Products  ›  HIW-PVC / HT-PVC Pipe

Product ID: DFP P10
RING-SEAL TYPE FOR GENERAL WATER

Contact Detail

CEO:Mr. Tien-Shou Tsai
Contact:Business Manager Mr. Fu-Jen Tsai & Ms. Lisa Hsu
Address:No. 8 , Wei-Liu Rd., Wu Chi District , Taichung, 43541, Taiwan
TEL:+886-4-26595858
FAX:+886-4-26595668
Email:info@dfppipe.com.tw
URL:http://www.shieyu-valve.com.tw
http://www.duraflow.com.tw
http://www.shie-yu.com
ZIP:43541